Termoelement 2100mm Dometic
Art.nr: 9939810
790 kr
Läs mer om lagersaldo i våra köpvillkor*
- Produktbeskrivning
-
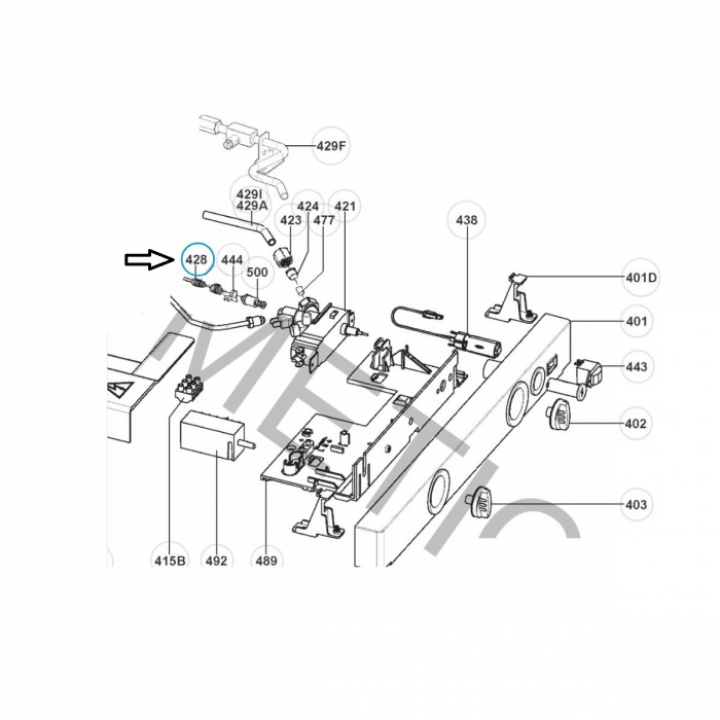
Thermoelement 2100mm.
OBS: Detta är en reservdel och beställningsvara, ej öppet köp eller ångerrätt! Har du bråttom eller är osäker om denna passar i ditt kylskåp, kontakta oss för leveranstid och kontroll. Vänligen ha Prod. NO-nummret redo, det sitter på en lapp i kylskåpet, nummret börjar med 009xxxxxxxx. Välkommen! - Dokument
-
- Omdömen
- PRODUKTSÄKERHETSINFORMATION (GPSR)
-
-
Lagersaldo: 0Frakt: Klass 19 501 - 1000g
